Q941TC电动陶瓷球阀
Products Center
您的位置:领扬阀门 >> 产品展示 >> 陶瓷球阀 >> Q941TC电动陶瓷球阀
Q941TC电动陶瓷球阀

- 产品介绍
- 订购流程
Q941TC电动陶瓷球阀

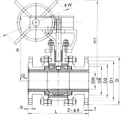
特点说明
本阀适用于高硬度的颗粒介质,或有软颗粒但又有腐蚀性的介质管道上作启闭之用。公称压力1.6MPa,适应温度≤200℃。与介质接触的部会均为结构陶瓷材料,其化学稳定性及硬度极高(洛氏硬度HRC88),仅次于金刚石。因此,本阀具有极高的耐磨损、耐腐蚀、耐冲蚀性能,且隔热性好、热膨胀小。
球体采用先进研磨设备及工艺制造,球园度精度高,表画质量好,与阀座对研后,利用Zr02陶瓷的自润滑性,可取得很好的密封性能。
陶瓷良好的耐磨性,让本阀经久耐用,可靠性极高,使用寿命长,是钛合金阀和蒙乃尔阀的2—4倍。

阀门订购流程
1. 客户可将采购清单直接拨打咨询热线
2. 我司收到客户采购清单后为客户提供型号、选型与报价(价格清单)。
3. 具体事宜商定,如:交货期、特殊要求等等。
订货须知:
1、客户对产品有特殊要求须在订货合同上提供以下说明:
① 结构长度。
② 连接方式。
③ 公称通径、全通径、缩径、管道尺寸。
④ 适用介质、工作温度及压力范围。
⑤ 实验、检验标准及其他要求。
2、本厂可根据客户特殊要求配置各类驱动装置。
3、如由客户提供确定的类型和型号时,客户应正确说明其型号和要求,在供需双方理解一致的条件下签订合同。
4、期货、订货的客户请先来电详细说明所需的型号、规格、数量以及交货时间、地点,并先按总额的30%预定金或全额货款及汇入我公司账户,其余货款待发货前汇入,以便及时安排发货
1. 客户可将采购清单直接拨打咨询热线
2. 我司收到客户采购清单后为客户提供型号、选型与报价(价格清单)。
3. 具体事宜商定,如:交货期、特殊要求等等。
订货须知:
1、客户对产品有特殊要求须在订货合同上提供以下说明:
① 结构长度。
② 连接方式。
③ 公称通径、全通径、缩径、管道尺寸。
④ 适用介质、工作温度及压力范围。
⑤ 实验、检验标准及其他要求。
2、本厂可根据客户特殊要求配置各类驱动装置。
3、如由客户提供确定的类型和型号时,客户应正确说明其型号和要求,在供需双方理解一致的条件下签订合同。
4、期货、订货的客户请先来电详细说明所需的型号、规格、数量以及交货时间、地点,并先按总额的30%预定金或全额货款及汇入我公司账户,其余货款待发货前汇入,以便及时安排发货
上一页:螺纹陶瓷球阀 下一页:Q641TC气动陶瓷球阀

